Rush Service Available for Unbeatable Turnaround Times

*20% Rush Service Fee

Professional Drafting & Design Services

Steel Shop Drawings

Count on Draftermax to provide detailed Structural Steel Shop Drawings which meet the design engineer’s specifications. All drawings are clear, accurate, and legible, so that you can rest assured that the structural steel components will be fabricated and installed correctly on-site. If you’re curious about our steel shop drawing services, or if you’d like to get started, please don’t hesitate to reach out to us. You can also continue reading to learn more about our drafting services, the benefits of working with DrafterMax, and the support we provide for professionals in the fields of design, manufacturing, and construction.

With You Throughout The Process

We work closely with our clients as a resource for any drafting demands. We can work with you to produce accurate shop drawings, materials lists, assembly drawings, detail drawings, and more, as is needed for your specific project. We can also work with you to edit and adapt drawings as you work with designers, architects, engineers, and contractors throughout the design-build process.

Steel Joists Banner
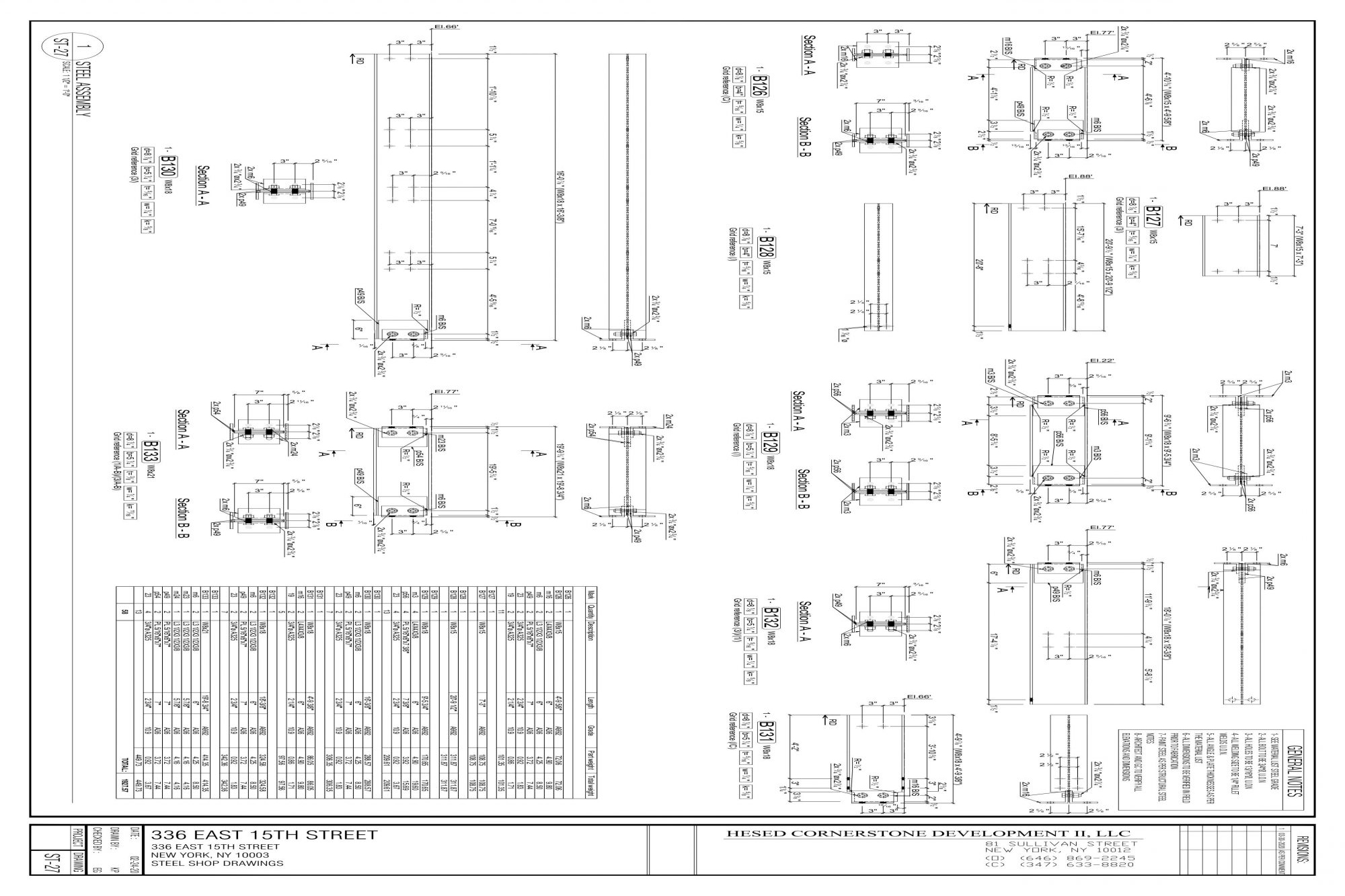
Steel Shop Drawing for 336 East 15th St.

Easy, Accurate Steel Drawings

It’s our goal to make steel shop drawings as easy as possible. We want to ensure that your drafts are created as efficiently and accurately as possible, so you can minimize costs and meet any deadlines throughout the build process.

Why Work With DrafterMax

We understand that steel shop drawings may be essential for a number of projects, depending on the complexity of the construction, and the size of the build. Outsourcing your drafting to our firm will provide you with a number of benefits that will improve the manufacturing and design-build processes. You can benefit from outsourcing your drafting with DrafterMax in the following ways:

  • Cut time: If you’re operating under a deadline, we can deliver drafts that will speed up the manufacturing process, aid with architectural design, and improve the installation of your steel components. Keep well within schedule with our steel shop drawings.
  • Reduce waste: Mistakes happen. But with the clarity of our steel shop drawings, you’ll reduce the likelihood of an error from day one. We’ll work with you to ensure that your vision comes to life without a hitch — from fabrication to on-site implementation.
  • Better bottom line: As we just mentioned, our drawings help to mitigate mistakes and improve your project completion schedule, both of which result in savings throughout your project. Save time, save money, and save yourself from a headache by outsourcing your steel shop drawings to DrafterMax.

Count On DrafterMax

Here at DrafterMax, we bring knowledge and experience to the table. Plus, there’s power in numbers – we have 12 draftspersons on staff. That means better service for our clients, as well as a speedier turnaround time. Ready to get started? Or curious about our steel shop drawing services? Don’t hesitate to give us a call or drop us a line. Count on us for pristine, accurate drafts and drawings; we’re here to help! Again, we provide steel shop drawing services for clients throughout New York City.

Albany Road Steel Parts Order

1250 Albany Post Road

Main House - Material List

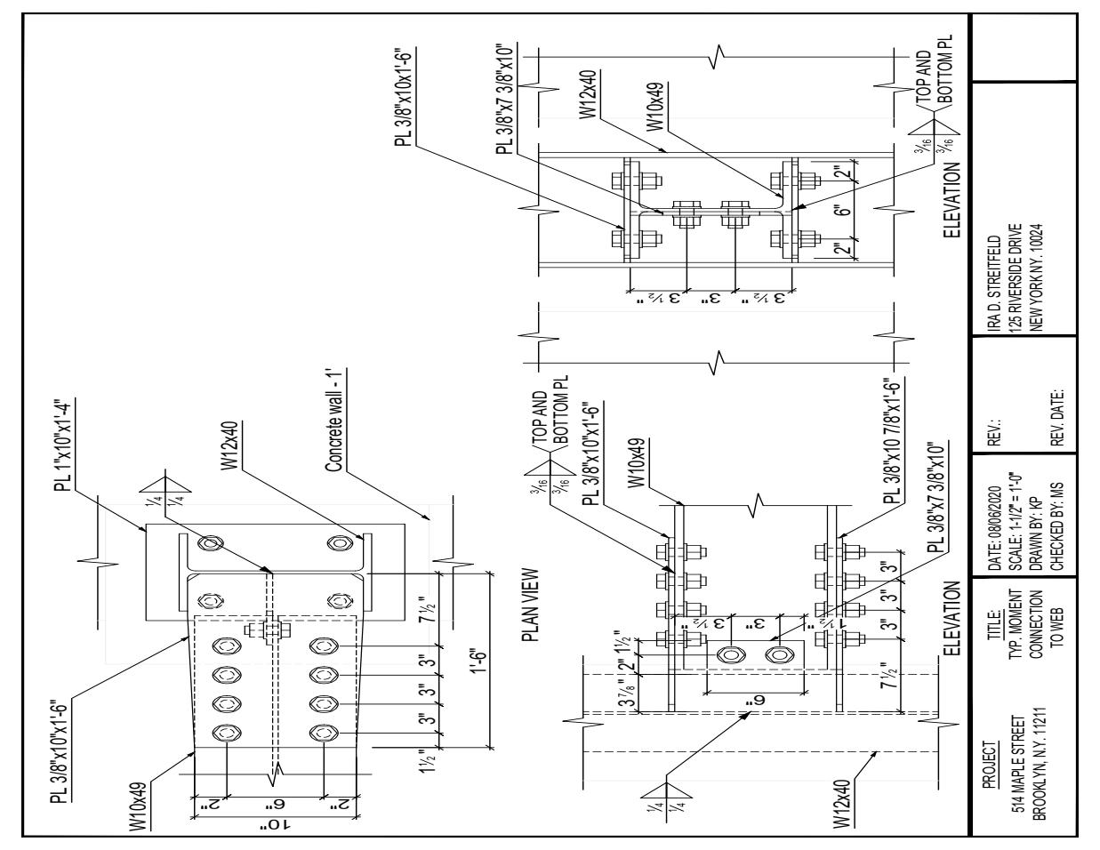
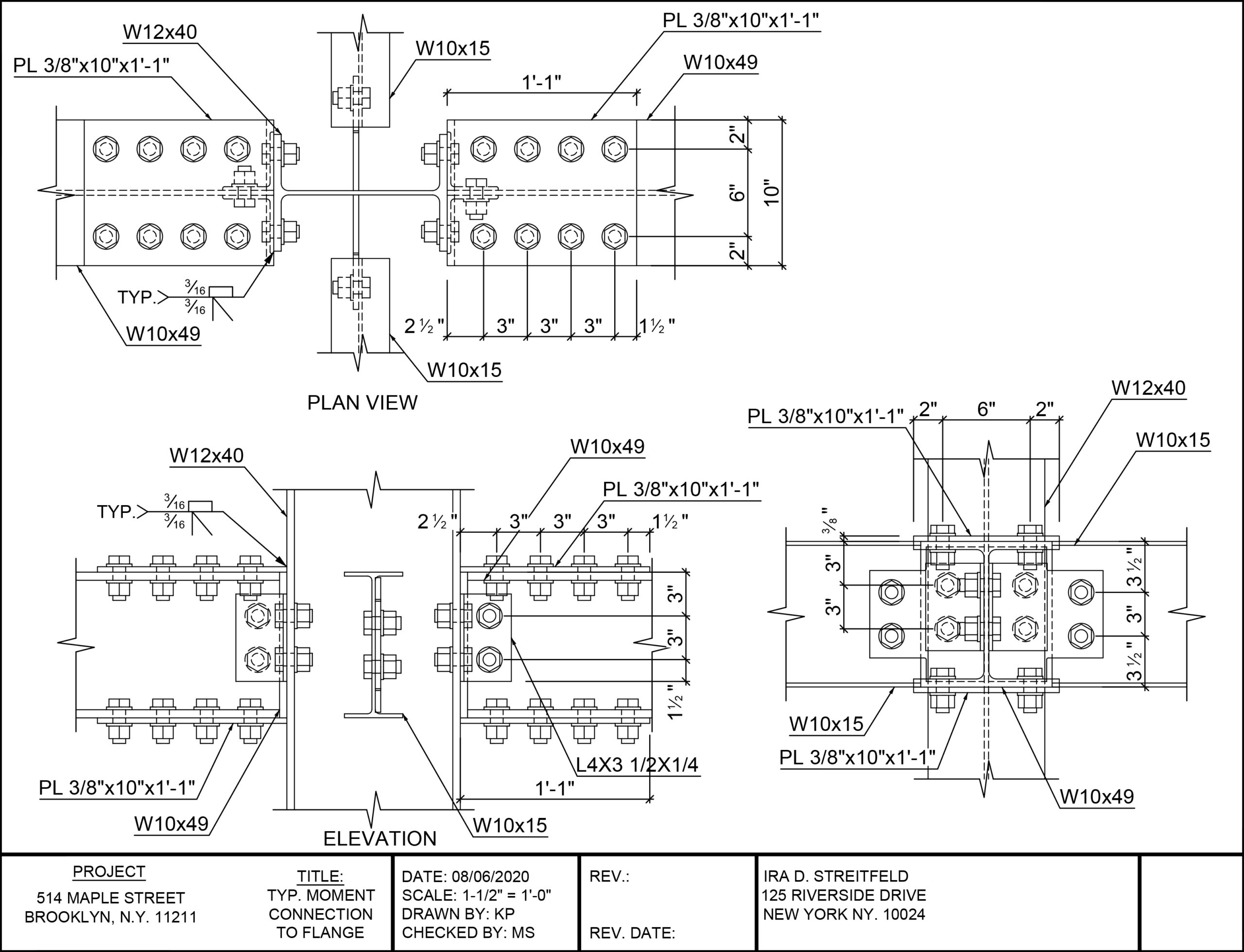
Thumbnail of a connection flange

Typical Moment Connection

Flange-Web

East15th Thumbnail

336 East 15th Street

Steel Shop Drawings